API A1P150 Pneumatic Valve 1/8"5/2 (Pneumatically Operated)
'Quick Specs' of A1P150: MPN 034001, 1/8" BSP, 5/2 pilot/spring pneumatic valve. Made in Italy. Alumnium chasis.
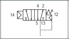
The API A1P150 is a pneumatic valve that is pilot and spring operated. It has 1/8" port connections and is 5/2. The pneumatic valve can accomodate high flow rates.
Technical Specifications
| Fluid | Compressed filtered air with or without lubrication. Lubrication, if be used, must be continued. |
| Pressure range | Spring return: 1,5 ÷ 10 bar Bistable: 1 ÷ 10 bar 3 position: 2,5 ÷ 10 bar |
| Temperature range | -10℃ ÷ +60℃ |
| Orifice | 6.5 mm |
| Flow | 650 Nl/min. at 6bar with ΔP 1bar |
| Minimum piloting pressure | 1,5 bar |
| Mounting | In any position |
| Materials |
Body: Anodised aluminium |
