API AEP22100 Solenoid Valve for Water and Steam 1" 25bar 140℃ NC
MPN 035525, 1" BSP, with EPDM seals (+140℃)
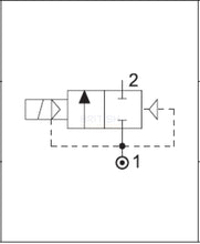
2/2, normally closed, Indirectly operated solenoid valve for water and steam.
Made in Italy.
Technical Specifications
| Fluid | Water and steam. Compressed filtered air with or without lubrication. Lubrication, if be used, must be continued. |
| Pressure range | 25 bar |
| Fluid maximum viscosity | 25 cSt (mm²/s) |
| Orifice | 24 mm |
| Flow | 10,2 m³/h |
| Mounting | Better with the coil high |
| Materials |
Body: Brass |
